| 产地 | 广州 |
|---|---|
| 销售方式 | 直销 |
| 应用领域 | 建筑,化工,工业,隧道,涵洞 |
| 整机功率 | 25W |
| 整机重量 | 1000kg |
| 制冷量 | +/-25 |
| 执行质量标准 | 国标 |
| 贸易属性 | 内贸 |
| 发货期限 | 10天 |
| 品牌 | Tranp |
| 型号 | SDKT 1925 |
| 加工定制 | 是 |
一、产品介绍
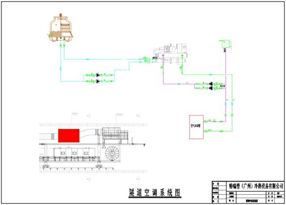
当铁路、高峰公路、地铁在我国南方隧道开凿时,隧道涵洞内的温度有时会达到42度甚至更高,施工降温大多采用的通风降温和喷雾洒水降温的措施,但效果差。所以根据市场需求,我司研发空调系统采用盾构机外循环冷却水制冷和压入冷却空气相结合的方式对区间隧道作业面进行降温。在传统外循环冷却和隧道通风基础上,在盾构机上安装空调系统,将隧道通风气流在进入到二次风机系统前进行冷却,使冷却空气从二次通风系统出口处输送到施工作业面(管片拼装区域)。二次风机送风出口温度可以达到20℃,解决工人高温施工问题,让施工人员受到商务楼里的中央空调系统。
地铁隧道开凿多数是采用构机。特瑞普开发的制冷机组放置在盾构机上,制冷效果明显。欢迎咨询和定制。

二、工业空调特点
○高效:先进的高效能双螺杆压缩机匹配优质冷凝器与蒸发器,采用先进加工工艺生产而成及精密数据核算;该系列隧道空调机组具有制冷效率、空气降温处理量大、降温速度快的特点,是专业应用于隧道空调制冷系统的非标定制化产品。
○节能:采用四级容调启动(0,25,50,75,100),根据实时制冷需求自动调节压缩机运行负载,满足项目节电及秋冬季节使用需求;
○可靠:机组电器元件采用Schneider品牌,压缩机等主要零部件选用进口产品,保证机组运行可靠性;
○智能:系统采用(SIEMENS)PLC集成控制,无需人工监控,可连接盾构机中央集控室实现远程控制;
○专业:该系列隧道空调制冷机组是针对于盾构机特殊作业工况而设计的一款针对性的专业定制化产品,机组在与盾构机内循环板式换热器共用同一路外循环冷却水的情况下,能达到优先盾构机冷却后再进行空调主机冷却;
○运行:机组允许的外循环冷却水温度范围为30-46℃,在盾构机推进时导致的用水量减少时,机组可根据冷却水进水温度及进水流量自动调节运行负载,从而保证机组24小时稳定运行。


三、空调系统组成
选用高品质螺杆式压缩机,采用5:6螺杆转子设计,比一般压缩机能效高出20%-30%。适用于环保制冷剂R134A、R407C、R410a的压缩机专用马达,故障率低,运行平稳可靠,无故障运行时间:50000-80000小时。产品已获得ISO9001和ISO9002两项国际的品质认证,及欧美多国专用机的认可。

采用SIEMENS集成控制,反应灵敏、控制明确,可根据季节需求设定运行状态及实时出风温度;机组具有自动加卸载、定时开关机以及记录故障原因和发生时间等多重功能,可实现远程或中央监控。

该系列隧道空调机组的空气冷却装置根据盾构机二次风机送风需求及盾构机实际安装空间进行设计选型,可定制DN400/DN600/DN800/DN1000不同风管直径的产品系列,适用于各类小型盾构机及大直径盾构机组的空调降温需求。



生成海报








