NTJH-3柱式称重传感器 重量荷重测力传感器 柱式称重传感器 柱式荷重传感器 柱式重量传感器 柱式测力传感器。应用于化工、煤炭冶金、电子汽车衡、轨道衡、仓储秤、料罐等大吨位的测量设备。
技术参数
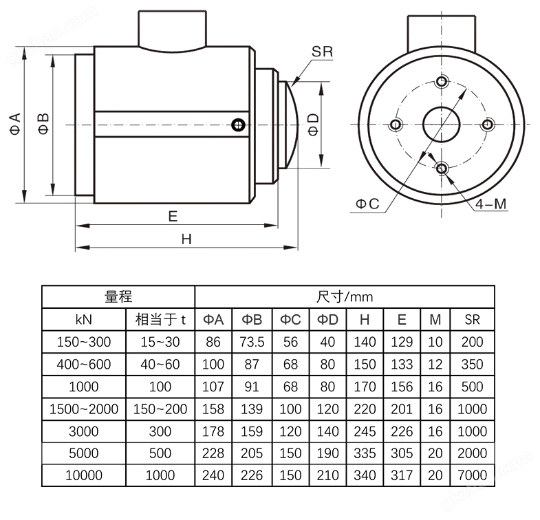
额定载荷: 150,200,300,400,500,600,1000,1500,2000,3000,5000,10000(kN)
综合精度: 0.05~0.1%F.S
灵敏度: 1.5、2.0mV/V
蠕变: ±0.05%F·S/30min
零点输出: ±1%F·S
零点温度影响: ±0.03%F·S/10℃
输出温度影响: ±0.03%F·S/10℃
工作温度: -20℃~+65℃
输入阻抗: 380±30Ω或750±50Ω
输出阻抗: 350±3Ω或700±5Ω
绝缘电阻: >5000 MΩ
安全过载: 150%F·S
供桥电压: 建议 10V DC
材质: 合金钢
传感器接线方式:输入+:红 输入-:黑 输出+:绿 输出-:白
产品外形尺寸

南京天光主要生产和销售:称重传感器(平行梁传感器、柱式荷重传感器、轮辐式传感器、悬臂梁式传感器、桥式称重传感器、波纹管式传感器、微型荷重传感器、膜合式称重传感器、扭环式称重传感器)、称重模块(柱式称重模块、轮辐式称重模块、悬臂梁式称重模块、波纹管式称重模块、膜合式称重模块)、拉力传感器(S型拉力传感器、板环式拉力传感器、膜合拉力传感器、不锈钢柱式拉力传感器、柱式外螺纹拉力传感器、柱式内螺纹拉力传感器)、轴销式传感器、油田载荷传感器、电力覆冰检测传感器、静态扭矩传感器、旁压式张力传感器、轴承座式荷重传感器等,还包括配套的测控仪表,包括称重变送器、不锈钢接线盒、称重显示仪表、数字模块、无线收发器、高速采集器等。
NTJH-3柱式称重传感器 重量荷重测力传感器,技术问题欢迎咨询王工:




生成海报








